|
工作壓力 |
240 Bar |
|
流量選項 |
輸入流量:7.6lpm;比例:50:50;型號代碼:HYFD10-40-11 |
|
輸入流量:15.1lpm;比例:50:50;型號代碼:HYFD10-40-22 |
|
|
輸入流量:22.7lpm;比例:50:50;型號代碼:HYFD10-40-33 |
|
|
輸入流量:30.3lpm;比例:50:50;型號代碼:HYFD10-40-44 |
|
|
輸入流量:37.9lpm;比例:50:50;型號代碼:HYFD10-40-55 |
|
|
輸入流量:45.4lpm;比例:50:50;型號代碼:HYFD10-40-66 |
|
|
流量控制精度 |
分流精度:10%(從最大額定流量的30~100%) |
|
溫度 |
(-40℃~ +120℃)標準丁腈橡膠密封 |
|
油液 |
礦物油粘度7.4~420 cSt. |
|
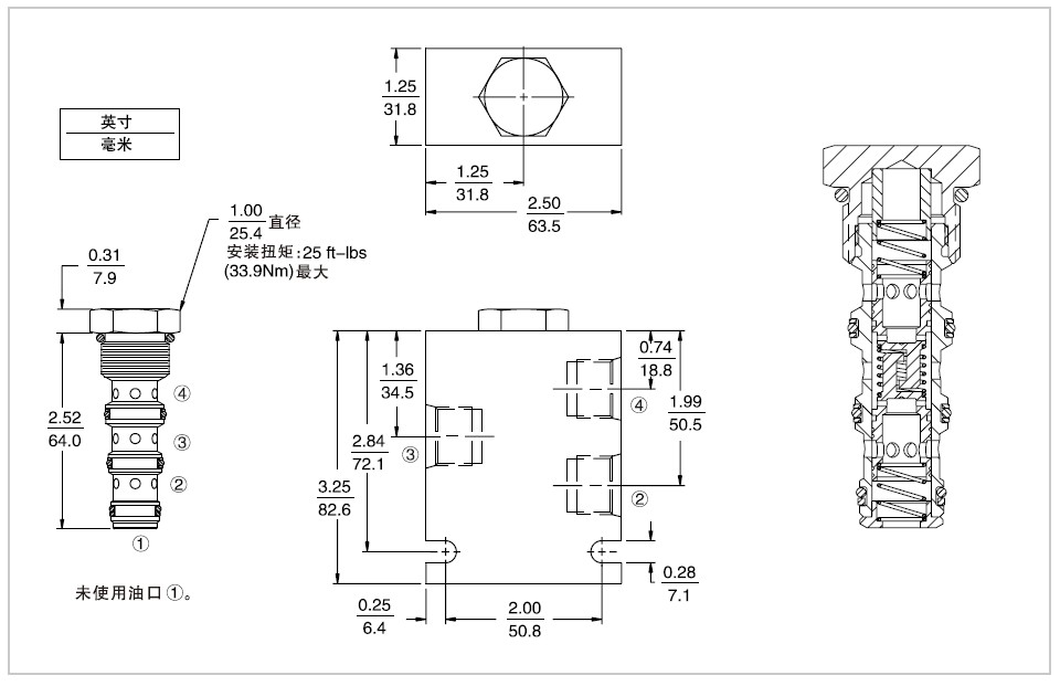
插孔 |
HY10-4,見頁碼H.1.4 |
|
閥塊材料 |
6061-T6鋁,允許使用最大壓力207 bar,鋼和球鐵允許使用最大壓力350 bar |











